欢迎访问湖北新联测科技有限公司!
武汉经济技术开发区枫树五路299号枫树工业园1号研发楼3层、4层

专业的环境检测服务机构

水源/空气/噪声/油气回收检测服务

咨询热线

18171272425
18171289386
15391547689

公示公告

联系热线

18171272425

电话:18171272425
电子邮件:maoxiaohong@hbxlc.net.cn
地址:武汉经济技术开发区枫树五路299号枫树工业园1号研发楼3层、4层
您当前所在的位置: 首页 > 公示公告
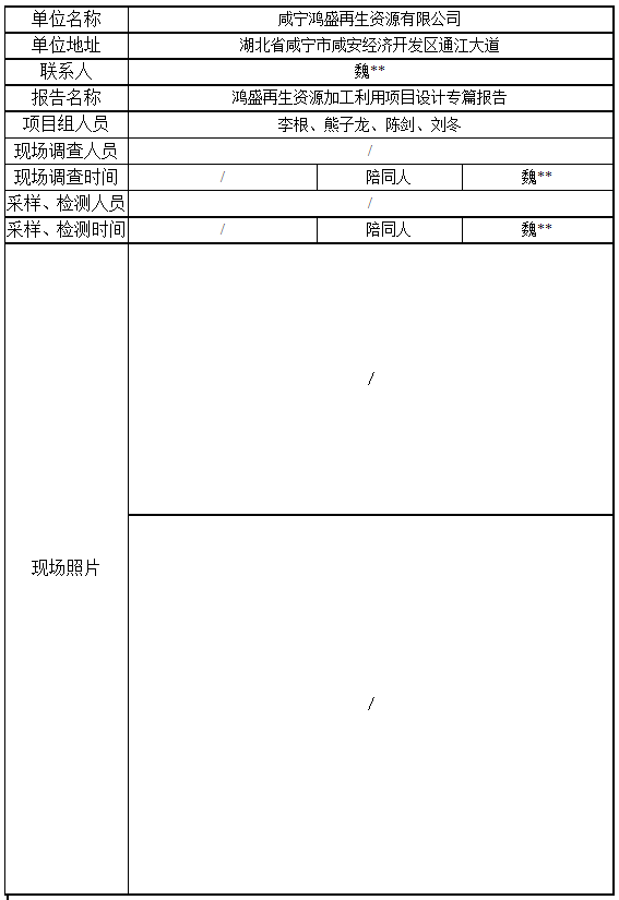
鸿盛再生资源加工利用项目设计专篇报告

image.png

Copyright © 湖北新联测科技有限公司 All Rights Reserved 鄂ICP备17019220号-1